Содержание пуста!
Fly500-1100
| штат: | |
|---|---|
| Количество: | |
| Предмет номер.: | GT500 GT700 GT900 GT1100/Зеленые зубы 500 Series 700Series |
| 900 серий 1100 | |
| Масса | Около 0,05 кг 0,27 кг 0,12 кг 0,16 кг |
| Приложение: | Для зеленых зубов |
| MOQ: | 300-500pcs |
| OEM: | Индивидуальный дизайн приветствуется |
| SGS, ISO9001 | сертификат. |
Информация о упаковке
| 300pcs/Bucket | 64buckets/48buckets/27buckets на поддон |
| 200 шт/ведро | 64buckets/48buckets/27buckets на поддон |
| 150 шт./Ведро | 64buckets/48buckets/27buckets на поддон |
| 100 шт./Ведро | 64buckets/48buckets/27buckets на поддон |
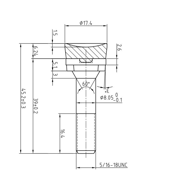
Самый маленький зуб 500 серии серии является индексацией с тремя позициями. Просто ослабьте, поверните и затяните для острых краев. Зеленые зубы® менее вогнуты и лучше всего работают в более каменных почвах. Они менее склонны к чипе из -за более толстого карбида на верхней части зуба. Green Teeth® рекомендуется для ситуаций, когда в земле более 25% скала.
Зуб серии 700 от зеленого производства был разработан для использования с пнятами с 18 до 44 л.с. Держатель немного больше, чем у 500, 700 -й серии доступны в прямой, угловой и обратной. Каждый держатель предназначен для того, чтобы каждая резьбовая и противоположная отверстие, поэтому каждый карман может поместиться по обе стороны от колеса.
Зуб серии 900 от зеленого производства был разработан для использования с режущими средствами от 50 до 90 л.с.
Зуб серии 1100 от Green Manufacturing работает лучше всего с пенсами, работающими на уровне 66 л.с. или выше. Этот зуб 1-1/8 "имеет 3 режущих края, а его карбидное лицо может быть изменено как минимум один раз.
Мы также могли бы произвести + BFS456 BFS457 BFS541 KHS001 BFS542 BFS543 BFS542-P KFS1015 BFS18 BFS12 BFS476 KFS1055 BFS598 BFS537 BFS538 BFS554 KFS1015 BFS18 KFS99 BFS580 BFS581 BFS580-P BFS579 BFS582 б
| Предмет номер.: | GT500 GT700 GT900 GT1100/Зеленые зубы 500 Series 700Series |
| 900 серий 1100 | |
| Масса | Около 0,05 кг 0,27 кг 0,12 кг 0,16 кг |
| Приложение: | Для зеленых зубов |
| MOQ: | 300-500pcs |
| OEM: | Индивидуальный дизайн приветствуется |
| SGS, ISO9001 | сертификат. |
Информация о упаковке
| 300pcs/Bucket | 64buckets/48buckets/27buckets на поддон |
| 200 шт/ведро | 64buckets/48buckets/27buckets на поддон |
| 150 шт./Ведро | 64buckets/48buckets/27buckets на поддон |
| 100 шт./Ведро | 64buckets/48buckets/27buckets на поддон |
Самый маленький зуб 500 серии серии является индексацией с тремя позициями. Просто ослабьте, поверните и затяните для острых краев. Зеленые зубы® менее вогнуты и лучше всего работают в более каменных почвах. Они менее склонны к чипе из -за более толстого карбида на верхней части зуба. Green Teeth® рекомендуется для ситуаций, когда в земле более 25% скала.
Зуб серии 700 от зеленого производства был разработан для использования с пнятами с 18 до 44 л.с. Держатель немного больше, чем у 500, 700 -й серии доступны в прямой, угловой и обратной. Каждый держатель предназначен для того, чтобы каждая резьбовая и противоположная отверстие, поэтому каждый карман может поместиться по обе стороны от колеса.
Зуб серии 900 от зеленого производства был разработан для использования с режущими средствами от 50 до 90 л.с.
Зуб серии 1100 от Green Manufacturing работает лучше всего с пенсами, работающими на уровне 66 л.с. или выше. Этот зуб 1-1/8 "имеет 3 режущих края, а его карбидное лицо может быть изменено как минимум один раз.
Мы также могли бы произвести + BFS456 BFS457 BFS541 KHS001 BFS542 BFS543 BFS542-P KFS1015 BFS18 BFS12 BFS476 KFS1055 BFS598 BFS537 BFS538 BFS554 KFS1015 BFS18 KFS99 BFS580 BFS581 BFS580-P BFS579 BFS582 б
